1.结构简单紧凑,重量较轻,便于装拆和维修。
2.操作扭距较小,转90°启闭轻便迅速。
3.流阻小,流量特性近似倾斜直线,节能效果好。
4.密封可靠,泄漏为零,使用寿命长。
5.不锈钢+聚四氟乙烯材质,耐腐蚀性更强。
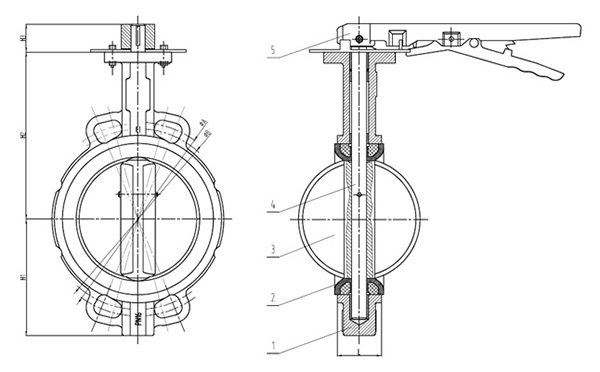
D71F-16P不锈钢衬四氟蝶阀由四氟密封蝶阀和不锈钢蝶板、阀杆构成。阀体采用不锈钢304、316,密封圈为聚四氟,具有良好的耐腐蚀性,使用寿命长。对夹式连接,阀门的安装、拆卸、使用都非常方便。整个蝶阀小巧轻便,密封性可靠,抗酸抗腐蚀性强,在供排水,发电,石油,化工,冶炼等领域都有广泛应用,适用于各种介质。

| 阀门执行标准 | 名称 | 设计制造 | 结构长度 | 侧法兰尺寸 | 上法兰尺寸 | 试压 | ||
| 参照标准 | GB/T 12238 | GB/T 12221 | CLASS 150/PN6/PN10/PN16 /5K/10K/TABLED /TABLE E | ISO 5211 | GB/T 13927-2008 | |||
| 主要零部件信息 | 名称 | 1-阀体 | 2-阀座 | 3-蝶板 | 4-阀轴 | 5-手柄 | ||
| 材质 | 铸铁/球铁(CI/DI) | 三元乙丙橡胶(EPDM) | 球墨铸铁(DI) | 不锈钢410 | 碳钢 | |||
| 尺寸信息 | DN | IN | H1 | H2 | H3 | ∅A | ∅B | L |
| 40 | 1.5" | 65 | 128 | 32 | 110 | 95 | 33 | |
| 50 | 2" | 75 | 129 | 32 | 125 | 105 | 43 | |
| 65 | 2.5" | 82 | 136 | 32 | 145 | 127 | 46 | |
| 80 | 3" | 99 | 153 | 32 | 160 | 145 | 46 | |
| 100 | 4" | 110 | 167 | 32 | 190.5 | 165 | 52 | |
| 125 | 5" | 125 | 193 | 32 | 216 | 200 | 56 | |
| 150 | 6" | 145 | 209 | 32 | 241.3 | 225 | 56 | |
| 200 | 8" | 170 | 251 | 40 | 298.4 | 280 | 60 | |