联系电话:186-5392-9185(微信同号)
双偏心蝶阀D342X/H-10/16Q
型 号D342X/H-10/16Q
通 径DN100-DN3000
压 力PN10/16
温 度0℃~80℃
主 材球墨铸铁QT450/铸钢WCB
介 质水、汽、油品等
全国服务热线 18653929185(微信同号)

阀门优势

1、主体材质选用QT450或WCB,化学成分和力学性能达到国家规定标准要求,可提供材质报告
2、所有阀体及零部件均采用数控机床加工,确保产品精度
3、采用体密封结构,区别于市场常规的板密封结构,可实现双向密封
4、有橡胶软密封及不锈钢硬密封可选,阀板及其他零部件也可根据工况选配材质
5、阀座堆焊不锈钢,更耐磨,使用寿命更长
6、阀轴采用自润滑式套筒轴承支撑,减少摩擦和扭矩
7、采用世界著名品牌阿克苏环氧树脂喷涂,喷涂厚度达250um
7、每台阀门出厂必须按照国家标准试压,不合格产品绝不出厂

阀门概况

双偏心蝶阀 主要适用于水厂、电厂、钢厂冶炼、化工、水源泉工程、环境设施建设等系统排水用,尤其适用于水道管路上,作为调节和截流设备使用。和中线蝶阀相比, 双偏心蝶阀更耐高压, 寿命更长, 稳定性好。 和其它阀门相比, 口径越大材料越轻,成本就更低。

双偏心蝶阀其结构特征为在阀杆轴心既偏离蝶板中心、也偏离本体中心。双偏心的效果使阀门被开启后蝶板能迅即脱离阀座、大幅度地消除了蝶板与阀座的不必要的过度挤压、刮擦现象、减轻了开启阻距、降低了磨损、提高了阀座寿命。刮擦的大幅度降低、同时还使得双偏心蝶阀也可以采用金属阀座、提高了蝶阀在高温领域的应用。

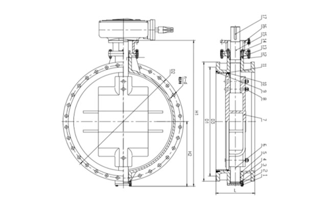
未标题-1.jpg

执行标准名称设计及制造结构长标准法兰连接标准试压标准

参照标准GB/T 12238GB/T 12221GB/T 17241.6GB/T 13927
主要零部件信息名称5-阀体7-阀板6-阀轴10-密封胶条11-阀体密封圈

材质QT450-10QT450-102Cr13NBR304
尺寸信息公称尺寸
PN10PN16
DNNPTLD2n-dD2n-d
1004''1271808-φ191808-φ19
1255''1402108-φ192108-φ19
1506''1402408-φ222408-φ22
2008''1522958-φ2229512-φ22
25010''16535012-φ2235512-φ28
30012''17840012-φ2241012-φ28
35014''19046016-φ2247016-φ28
40016''21651516-φ2852516-φ31
45018''22256520-φ2858520-φ31
50020''22962020-φ2865020-φ24
60024''26772520-φ3177020-φ37
70028''29284024-φ3184024-φ37
80032''31895024-φ3495024-φ40
90036''330105028-φ34105028-φ40
100040''410116028-φ37117028-φ43
120048''470138032-φ40139032-φ49
140056''530159036-φ43159036-φ49
160064''600182040-φ49182040-φ56
180072''670202044-φ49202044-φ56
200080''760223048-φ49223048-φ62
220088''800/
240096''850
2600104''900
2800112''950
3000120''1000

推荐阀门

©2019品工泵阀制造(山东)有限公司版权所有地址:山东省临沂市兰陵县新兴镇北辛庄村泵阀科技产业园

微信(电话同号)
186-5392-9185

抖音

快手