1、主体材质选用QT450或WCB,化学成分和力学性能达到国家规定标准要求,可提供材质报告
2、所有阀体及零部件均采用数控机床加工,确保产品精度
3、采用体密封结构,区别于市场常规的板密封结构,可实现双向密封
4、有橡胶软密封及不锈钢硬密封可选,阀板及其他零部件也可根据工况选配材质
5、阀座堆焊不锈钢,更耐磨,使用寿命更长
6、阀轴采用自润滑式套筒轴承支撑,减少摩擦和扭矩
7、采用世界著名品牌阿克苏环氧树脂喷涂,喷涂厚度达250um
7、每台阀门出厂必须按照国家标准试压,不合格产品绝不出厂
双偏心蝶阀 主要适用于水厂、电厂、钢厂冶炼、化工、水源泉工程、环境设施建设等系统排水用,尤其适用于水道管路上,作为调节和截流设备使用。和中线蝶阀相比,双偏心蝶阀更耐高压,寿命更长,稳定性好。和其它阀门相比,口径越大材料越轻,成本就更低。
双偏心蝶阀其结构特征为在阀杆轴心既偏离蝶板中心、也偏离本体中心。双偏心的效果使阀门被开启后蝶板能迅即脱离阀座、大幅度地消除了蝶板与阀座的不必要的过度挤压、刮擦现象、减轻了开启阻距、降低了磨损、提高了阀座寿命。刮擦的大幅度降低、同时还使得双偏心蝶阀也可以采用金属阀座、提高了蝶阀在高温领域的应用。

| 执行标准 | 名称 | 设计及制造 | 结构长标准 | 法兰连接标准 | 试压标准 | ||
| 参照标准 | GB/T 12238 | GB/T 12221 | GB/T 17241.6 | GB/T 13927 | |||
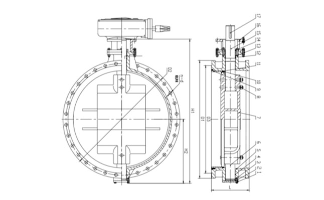
| 主要零部件信息 | 名称 | 5-阀体 | 7-阀板 | 6-阀轴 | 10-密封胶条 | 11-阀体密封圈 | |
| 材质 | QT450-10 | QT450-10 | 2Cr13 | NBR | 304 | ||
| 尺寸信息 | 公称尺寸 | PN10 | PN16 | ||||
| DN | NPT | L | D2 | n-d | D2 | n-d | |
| 100 | 4'' | 127 | 180 | 8-φ19 | 180 | 8-φ19 | |
| 125 | 5'' | 140 | 210 | 8-φ19 | 210 | 8-φ19 | |
| 150 | 6'' | 140 | 240 | 8-φ22 | 240 | 8-φ22 | |
| 200 | 8'' | 152 | 295 | 8-φ22 | 295 | 12-φ22 | |
| 250 | 10'' | 165 | 350 | 12-φ22 | 355 | 12-φ28 | |
| 300 | 12'' | 178 | 400 | 12-φ22 | 410 | 12-φ28 | |
| 350 | 14'' | 190 | 460 | 16-φ22 | 470 | 16-φ28 | |
| 400 | 16'' | 216 | 515 | 16-φ28 | 525 | 16-φ31 | |
| 450 | 18'' | 222 | 565 | 20-φ28 | 585 | 20-φ31 | |
| 500 | 20'' | 229 | 620 | 20-φ28 | 650 | 20-φ24 | |
| 600 | 24'' | 267 | 725 | 20-φ31 | 770 | 20-φ37 | |
| 700 | 28'' | 292 | 840 | 24-φ31 | 840 | 24-φ37 | |
| 800 | 32'' | 318 | 950 | 24-φ34 | 950 | 24-φ40 | |
| 900 | 36'' | 330 | 1050 | 28-φ34 | 1050 | 28-φ40 | |
| 1000 | 40'' | 410 | 1160 | 28-φ37 | 1170 | 28-φ43 | |
| 1200 | 48'' | 470 | 1380 | 32-φ40 | 1390 | 32-φ49 | |
| 1400 | 56'' | 530 | 1590 | 36-φ43 | 1590 | 36-φ49 | |
| 1600 | 64'' | 600 | 1820 | 40-φ49 | 1820 | 40-φ56 | |
| 1800 | 72'' | 670 | 2020 | 44-φ49 | 2020 | 44-φ56 | |
| 2000 | 80'' | 760 | 2230 | 48-φ49 | 2230 | 48-φ62 | |
| 2200 | 88'' | 800 | / | ||||
| 2400 | 96'' | 850 | |||||
| 2600 | 104'' | 900 | |||||
| 2800 | 112'' | 950 | |||||
| 3000 | 120'' | 1000 | |||||