1、阀体/阀板采购QT450-10材料、球化率3级以上、保化验,机械性能完全达标
2、阀轴使用自润滑式套筒轴承作为支撑、可以减少阀轴传动过程中生产的摩擦、并降低扭矩
3、阀座堆焊不锈钢,确保阀板与阀座密封性
4、同等口径重量重于其他厂家
5、从毛坯到成品包装出厂每个环节层层质检

| 执行标准 | 设计及制造 | 结构长度 | 试压标准 | 上法兰尺寸 | 侧法兰尺寸 | ||||
| GB/T 12238-2008 | GB/T 12221-2008 | GB/T 13927-2008 | ISO 5211 | GB/T 17241.6-2008 | |||||
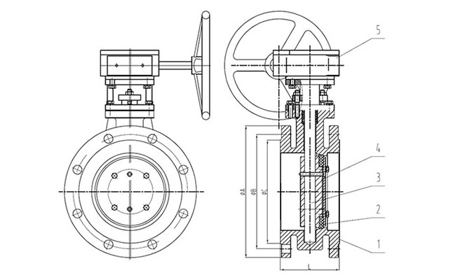
| 主要部件信息 | 1-阀体 | 2-阀座密封 | 3-蝶板 | 4-阀轴 | 5-涡轮 | ||||
| 球墨铸铁DI | 三元乙丙橡胶EPDM | 球墨铸铁DI | 45# | <DN800单级;≥DN800双级 | |||||
| 尺寸信息 | 公称尺寸 | PN10 | 结构长度 | PN16 | |||||
| DN | NPS(英寸) | A | B | C | L | A | B | C | |
| 50 | 2'' | 165 | 125 | 99 | 108 | 165 | 125 | 99 | |
| 65 | 2 1/2'' | 185 | 145 | 118 | 112 | 185 | 145 | 118 | |
| 80 | 3'' | 200 | 160 | 132 | 114 | 200 | 160 | 132 | |
| 100 | 4'' | 220 | 180 | 156 | 127 | 220 | 180 | 156 | |
| 125 | 5'' | 250 | 210 | 184 | 140 | 250 | 210 | 184 | |
| 150 | 6'' | 285 | 240 | 211 | 140 | 285 | 240 | 211 | |
| 200 | 8'' | 340 | 295 | 266 | 152 | 340 | 295 | 266 | |
| 250 | 10'' | 395 | 350 | 319 | 165 | 405 | 355 | 319 | |
| 300 | 12'' | 445 | 400 | 370 | 178 | 460 | 410 | 370 | |
| 350 | 14'' | 505 | 460 | 429 | 190 | 520 | 470 | 429 | |
| 400 | 16'' | 565 | 515 | 480 | 216 | 580 | 525 | 480 | |
| 450 | 18'' | 615 | 565 | 530 | 222 | 640 | 585 | 548 | |
| 500 | 20'' | 670 | 620 | 582 | 229 | 715 | 650 | 609 | |
| 600 | 24'' | 780 | 725 | 682 | 267 | 840 | 770 | 720 | |
| 700 | 28'' | 895 | 840 | 794 | 292 | 910 | 840 | 794 | |
| 800 | 32'' | 1015 | 950 | 901 | 318 | 1025 | 950 | 901 | |
| 900 | 36'' | 1115 | 1050 | 1001 | 330 | 1125 | 1050 | 1001 | |
| 1000 | 40'' | 1230 | 1160 | 1112 | 410 | 1255 | 1170 | 1112 | |
| 1200 | 48'' | 1455 | 1380 | 1328 | 470 | 1485 | 1390 | 1328 | |
| 1400 | 56'' | 1675 | 1590 | 1530 | 530 | 1685 | 1590 | 1530 | |
| 1600 | 64'' | 1915 | 1820 | 1750 | 600 | 1930 | 1820 | 1750 | |
| 1800 | 72'' | 2115 | 2020 | 1950 | 670 | 2130 | 2020 | 1950 | |
| 2000 | 80'' | 2325 | 2230 | 2150 | 760 | 2345 | 2230 | 2150 | |
| 2200 | 88'' | 2550 | 2440 | 2295 | 800 | 2550 | 2440 | 2295 | |
| 2400 | 96'' | 2760 | 2650 | 2495 | 850 | 2760 | 2650 | 2495 | |