联系电话:186-5392-9185(微信同号)
双偏心伸缩蝶阀
型 号SD342X-10/16Q
通 径DN100-DN2000
压 力PN10/16
温 度0~80℃
主 材球墨铸铁
介 质水、气、油品等
全国服务热线 18653929185(微信同号)

阀门优势

1、主体材质选用QT450或WCB,化学成分和力学性能达到国家规定标准要求,可提供材质报告
2、阀体及零部件均采用数控机床加工,确保产品精度
3、采用体密封结构,区别于市场常规的板密封结构,可实现双向密封
4、有橡胶软密封及不锈钢硬密封可选,阀板及其他零部件也可根据工况选配材质
5、阀座堆焊不锈钢,更耐磨,使用寿命更长
6、阀轴采用自润滑式套筒轴承支撑,减少摩擦和扭矩
7、采用世界著名品牌阿克苏环氧树脂喷涂,喷涂厚度达250um
8、每台阀门出厂均按照国家标准试压,不合格产品绝不出厂

阀门概况

伸缩蝶阀除了能作调节和截流作用,还能补偿管道温差所产生的热胀冷缩,也能为安装更换、维修阀门提供方便。双偏心伸缩蝶阀主要适用于水厂、电厂、钢厂冶炼、化工、水源泉工程、环境设施建设等系统排水用,尤其适用于水道管路上。和中线蝶阀相比, 双偏心蝶阀更耐高压, 寿命更长, 稳定性好。 和其它阀门相比, 口径越大材料越轻,成本就更低。

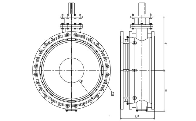
图纸.jpg

名称设计与制造标准结构长度试压标准侧法兰尺寸
参照标准GB/T 12238GB/T 12221GB/T 13927GB/T 17241.6
名称1-阀体2-密封3-蝶板4-阀轴
材质及说明QT450-10EPDMQT450-102Cr13
公称尺寸L伸缩量PN10PN16
DNNPS(英寸)φKn-φdφKn-φd
1004''190±101808-φ191808-φ19
1255''200±102108-φ192108-φ19
1506''210±102408-φ222408-φ22
2008''230±102958-φ2229512-φ22
25010''250±1035012-φ2235512-φ28
30012''270±1040012-φ2241012-φ28
35014''290±1046016-φ2247016-φ28
40016''310±1051516-φ2852516-φ31
45018''330±1556520-φ2858520-φ31
50020''350±1562020-φ2865020-φ34
60024''390±1572520-φ3177020-φ37
70028''430±1584024-φ3184024-φ37
80032''470±1595024-φ3495024-φ40
90036''510±20105028-φ34105028-φ40
100040''550±20116028-φ37117028-φ43
120048''630±30138032-φ40139032-φ49
140056''710±30159036-φ43159036-φ49
160064''790±30182040-φ49182040-φ56
180072''870±30202044-φ49202044-φ56
200080''950±30223048-φ49223048-φ62


推荐阀门

©2019品工泵阀制造(山东)有限公司版权所有地址:山东省临沂市兰陵县新兴镇北辛庄村泵阀科技产业园

微信(电话同号)
186-5392-9185

抖音

快手