联系电话:186-5392-9185(微信同号)
D363H焊接三偏心蝶阀
型 号D363H-25C
通 径DN100-DN2000
压 力PN16/25/40/150LB/300LB
温 度-29~425℃
主 材WCB
介 质水、汽、油品等
全国服务热线 18653929185(微信同号)

阀门优势

1. 阀体为精密铸造阀体或者整段无缝钢管,材质性能达标,外观精细;
2. 蝶板为数控精密机床加工,精度高
3. 密封圈为软硬多层叠式金属圈,具有金属和弹性密封的双重优点,确保在高温、低温环境下均有优良的密封性能
4. 阀杆采用不锈钢420材质,经过调质处理使阀杆的强度提高一倍
5. 每台产品的蜗轮调节螺丝均配有保护螺帽,保护调节螺丝不受损坏
6. 每台阀门出厂均按照国家标准做壳体、密封双层压力检测
7.可以根据客户工况要求做双向密封及全金属硬碰硬密封

阀门概况

焊接硬密封蝶阀,采用三偏心多层次金属硬密封结构,被广泛用于冶金 、电力、石油化工、以及给排水和市政建设等工业管道上,作调节流量和截断流体使用;具有金属硬密封和弹性密封的双重优点,无论在低温和高温的情况下,均具有优良的密封性能,具有耐腐蚀,使用寿命长等特点。

图片1.png

可选配置阀体阀座密封蝶板阀轴执行器
WCB/CF8/ CF8M/ CF3M/20#13cr/304/316/STLWCB/CF8/ CF8M/ CF3M2Cr13/304/316蜗轮/电动/气动
名称设计及制造结构长度试压标准坡口连接尺寸
参照标准JB/T 8527GB/T 12221 GB/T 13927GB/T 12224
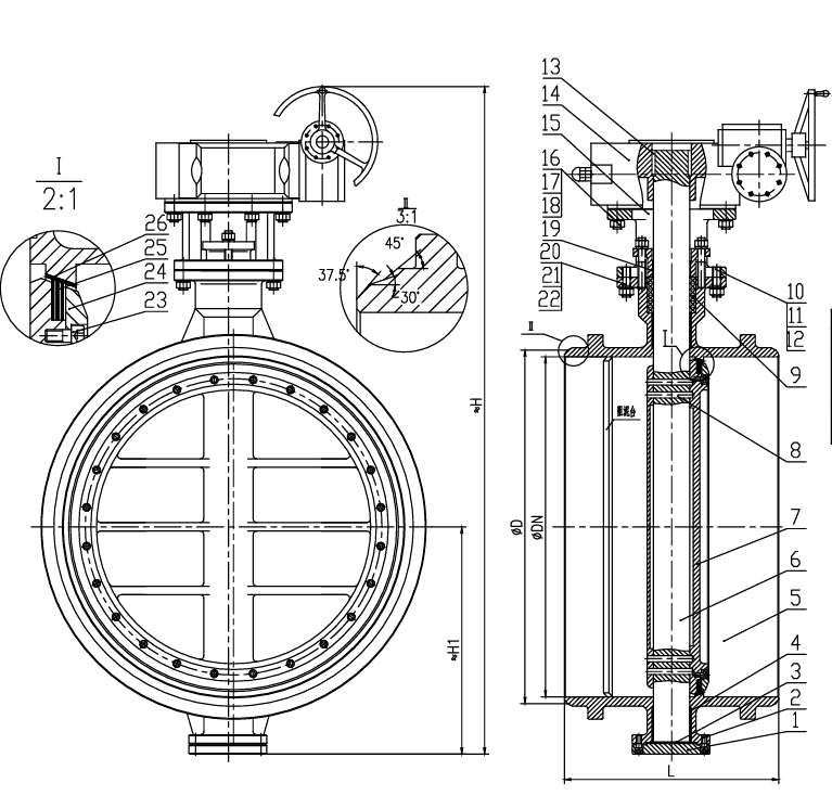
名称5-阀体25-密封圈7-蝶板6-阀杆
材质及说明WCB430+石墨WCB2Cr13
公称尺寸
PN25
DNNPS(英寸)LDH1H
100 4''190110100380
125 5''200135110400
150 6''210161130450
200 8''230222210550
250 10''250278240630
300 12''270330280720
350 14''290382310820
400 16''310432350920
450 18''3304843901060
500 20''3505354301130
600 24''3906365001280
700 28''4307265701480
800 32''4708266301610
900 36''5109266901860
1000 40''55010287602040
1200 48''63012288502240


推荐阀门

©2019品工泵阀制造(山东)有限公司版权所有地址:山东省临沂市兰陵县新兴镇北辛庄村泵阀科技产业园

微信(电话同号)
186-5392-9185

抖音

快手