1、阀体为精密铸造阀体,二次抛丸处理、外观精细,材质达标
2、内件数控精密设备加工,保证精度
3、阀杆防吹出设计
4、球体采用304+氮化或镀铬;
5、阀座喷涂镍合金,密封面硬度可靠;
6、每台阀体进行表面酸洗钝化处理, 使铸件外表呈均匀银白光亮色泽,保持金属光泽, 提高耐蚀性
7、每台阀门出厂均按照国家标准做壳体、密封双层压力检测
硬密封球阀是阀门的密封副(即阀座密封面与球体密封面)材料配对为金属对金属的球阀;金属阀座环与球面接触,通过作用在阀座环上均匀的弹簧负荷使阀座环与球面形成密封;
球体和阀座进行配对研磨,球阀整个密封面的所有密封区域均经过精密研磨。适合于高温高压的水、蒸汽、石油、煤炭、纤维、稠性和腐蚀性介质,以及带颗粒的介质。

| 名称 | 设计及制造 | 结构长度 | 试压标准 | 法兰标准 | |||
| 参照标准 | GB/T 12237 | GB/T 12221 | GB/T 13927 | HG/T 20592 | |||
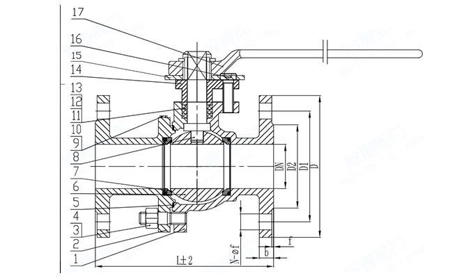
| 名称 | 1-阀体 | 6-球体 | 7-阀座 | ||||
| 材质及说明 | CF8 | 304氮化 | 304+NI55 | ||||
| 尺寸信息 | DN | NPS | L | ΦD | ΦD1 | ΦD2 | n-Φd |
| 15 | 1/2'' | 130 | 95 | 65 | 45 | 4-14 | |
| 20 | 3/4'' | 140 | 105 | 75 | 58 | 4-14 | |
| 25 | 1'' | 150 | 115 | 85 | 68 | 4-14 | |
| 32 | 1 1/4'' | 165 | 140 | 100 | 78 | 4-18 | |
| 40 | 1 1/2'' | 180 | 150 | 110 | 88 | 4-18 | |
| 50 | 2'' | 200 | 165 | 125 | 100 | 4-18 | |
| 65 | 2 1/2'' | 220 | 185 | 145 | 122 | 4-18 | |
| 80 | 3'' | 250 | 200 | 160 | 138 | 8-18 | |
| 100 | 4'' | 280 | 220 | 180 | 158 | 8-18 | |
| 125 | 5'' | 320 | 250 | 210 | 188 | 8-18 | |
| 150 | 6'' | 360 | 285 | 240 | 212 | 8-22 | |
| 200 | 8'' | 400 | 340 | 295 | 268 | 12-22 | |