联系电话:186-5392-9185(微信同号)
PQ340F/H/Y偏心半球阀
型 号PQ340F/H/Y
通 径DN50--DN2000
压 力PN10/16
温 度-20~350°C
主 材铸钢/不锈钢
介 质水/油/汽等
全国服务热线 18653929185(微信同号)

阀门优势

1、阀体为精密铸造阀体,二次抛丸处理、外观精细,材质达标
2、内件数控精密设备加工,保证精度
3、阀杆防吹出设计
4、球体堆焊硬质合金,增强耐磨性;
5、阀座可以根据工况选择四氟软密封或金属硬密封;
6、阀体采用粉沫环氧树脂静电涂装,喷涂厚度达到250μm,有效防止阀体与介质接触造成的腐蚀与生锈
7、每台阀门出厂均按照国家标准做壳体、密封双层压力检测

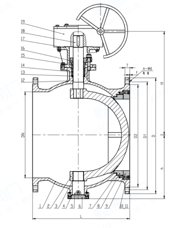
阀门概况

1505178acf2a2e578b450ccc26a8b3e.png

名称设计及制造结构长度试压标准法兰标准

参照标准GB/T 26146GB/T 12221GB/T 13927GB/T 9113

名称1-阀体2-球体8-阀座18-阀杆

材质及说明WCBWCB+堆焊合金A1052Cr13

SIZE

DNNPSLΦDΦD1ΦD2n-Φd
502''1781651251024-18
652 1/2''1901851451224-18
803''2032001601388-18
1004''2292201801588-18
1255''2542502101888-18
1506''2672852402128-22
2008''29234029526812-22
25010''33040535532012-26
30012''35646041037812-26
35014''45052047043816-26
40016''53058052549016-30
45018''58064058555020-30
50020''66071565061020-33
60024''68084077072520-36
70028''90091084079524-36
80032''1000102595090024-39
90036''110011251050100028-39
100040''120012551170111528-42


推荐阀门

©2019品工泵阀制造(山东)有限公司版权所有地址:山东省临沂市兰陵县新兴镇北辛庄村泵阀科技产业园

微信(电话同号)
186-5392-9185

抖音

快手