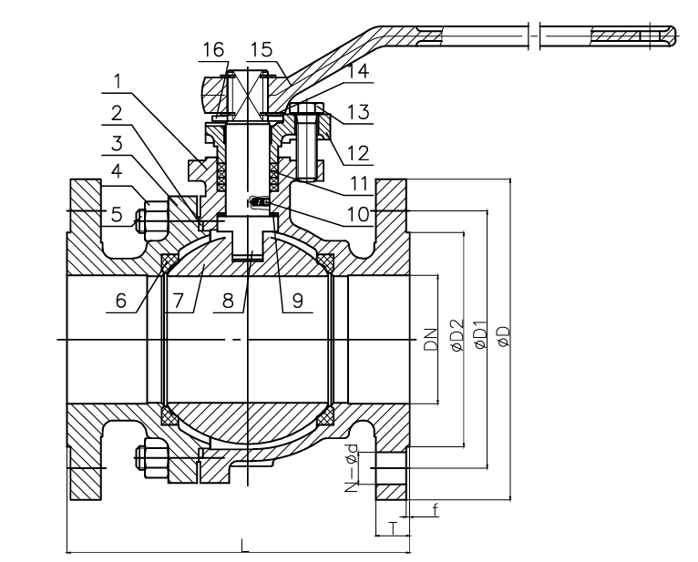
1、阀体为精密铸造阀体,二次抛丸处理、外观精细,材质达标
2、内件数控精密设备加工,保证精度
3、阀杆防吹出设计
4、阀座采用软硬双重密封设计,到达防火要求;球阀中口法兰和阀杆密封设计也均符合防火要求
5、阀杆加装防静电装置设计
6、球体采用304不锈钢材质
7、每台阀门出厂均按照国家标准做壳体、密封双重压力检测
防火防静电球阀可用于天然气、石油化工、液化气、城市燃气等管道,具有防静电、防火装置,即在球体与阀杆、阀杆与阀体之间设置导电弹簧,使阀门在开启过程中产生的静电能通过所设置的静电通道传入管路导入地下,达到清除静电的目的。而防火装置,即球阀设计有两重密封,当软密封垫因高温熔化后,阀芯球体再次与软密封后面设计成直角的硬密封,再次形成密封关系。从而确保系统安全。
